MAX相 碳化钛钒铝 TiVAlC 层状结构 200目
发布时间:2022-09-20     作者:LYQ   分享到:
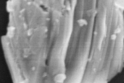
MAX相 碳化钛钒铝 TiVAlC
产品名称:碳化钛钒铝 TiVAlC
元素含量:Ti:29.9% V:32% Al:20.1% C:18%
产品化学式:TiVAlC
目数规格:200~500目
结构:层状结构
产品纯度:≥98%
成型方式:无压烧结
颜色:灰色
特点:1.层状结构;2.高导电性能;
图谱:

温馨提示:以上产品仅用于科研
齐岳生物小编:LYQ(2022/9/20)
西安齐岳生物是一家提供纳米材料定制的厂家,我们可以提供磁性纳米材料,功能化磁性纳米材料,磁性微球(磁珠),链霉亲和素磁珠,金纳米材料,银纳米材料,功能微球(聚苯乙烯),二维Mxenes /MAX相材料,荧光量子点,石墨烯类产品,纳米线,碳纳米管,纳米金属粉,纳米氧化物,纳米化合物,纳米非金属等等,提供定制合成。
相关产品:
MnO2-CNT(PDDA)复合材料
MnO2二氧化锰/碳基复合电极材料
MnO2纳米片,二氧化锰纳米片
MoS2/HfO2二硫化钼/二氧化铪复合纳米材料
MoS2/MoSe2|二硫化钼/二硒化钼纳米复合材料
MoSe2/CNTs|硒化钼碳纳米管纳米复合材料
MoSe2/Fe3O4|二硒化钼/四氧化三铁磁性纳米复合材料
MoSe2/Go|硒化钼/石墨烯复合材料
MoSe2/TiO2|硒化钼/二氧化钛复合材料
MoSe2/WSe2|二硫化钼/二硒化钨晶体材料
MoSe2/活性炭复合材料
MoSe2-NiSe异质结构纳米材料
Mucin粘蛋白修饰水溶上转换纳米颗粒
MWCNT-EuO多壁碳纳米管/氧化铕复合材料
n|s共掺杂多孔碳包裹的纳米镍复合物(Ni-NSC-600)
NaErf4@NaREF4核壳结构上转换纳米探针
NaErF4核/NaYbF4壳结构稀土上转换纳米颗粒




齐岳微信公众号
官方微信
库存查询